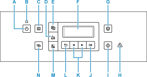
Операционен панел

- A: Бутон Включване (ON)
-
Включва или изключва захранването. Преди да включите захранването, проверете дали капакът за документи е затворен.
- B: Лампа Включване (ON)
- След включване на захранването първо мига и след това свети.
- C: Бутон МЕНЮ (MENU)
- Показва екрана Меню за копиране (Copy menu) или Меню за сканиране (Scan menu).
- D: Бутон Сканиране (SCAN)
- Превключва принтера в режим на сканиране.
- E: Бутон Копиране (COPY)
- Превключва принтера в режим на копиране.
- F: LCD (течнокристален дисплей)
- Показва съобщения, елементи на менюта и работното състояние.
- G: Бутон Стоп (Stop)
- Отменяне на операцията при изпълняващо се задание за печат, копиране или сканиране.
- H: Лампа Аларма (Alarm)
- Свети или мига, когато възникне грешка.
- I: Бутон Старт (Start)
- Стартира копиране, сканиране и др.
- J: Бутон OK
- Завършва избора на меню или елемент за настройка. Този бутон се използва и за отстраняване на грешки или изваждане на документи от АПУ (Автоматично подаващо устройство).
- K: Бутони
и 
-
Използва се за избор на елемент за настройка. Тези бутони се използват също и за въвеждане на знаци.
- L: Бутон Назад (Back)
- Върнете LCD монитора към предишния екран.
- M: Бутон Настройки (Setup)
- Показва екрана Меню за настройка (Setup menu). Чрез това меню можете да извършвате поддръжка на принтера и да променяте настройките му. Също така се използва за избор на режима на въвеждане.
- N: Бутон Безжично свързване (Wireless connect)
- За да зададете информацията за безжичния рутер в принтера директно от смартфон или друго подобно устройство (без да се налага да извършвате някакви процедурите в рутера), задръжте натиснат този бутон.

